К списку заданий по инженерной графике
В начало
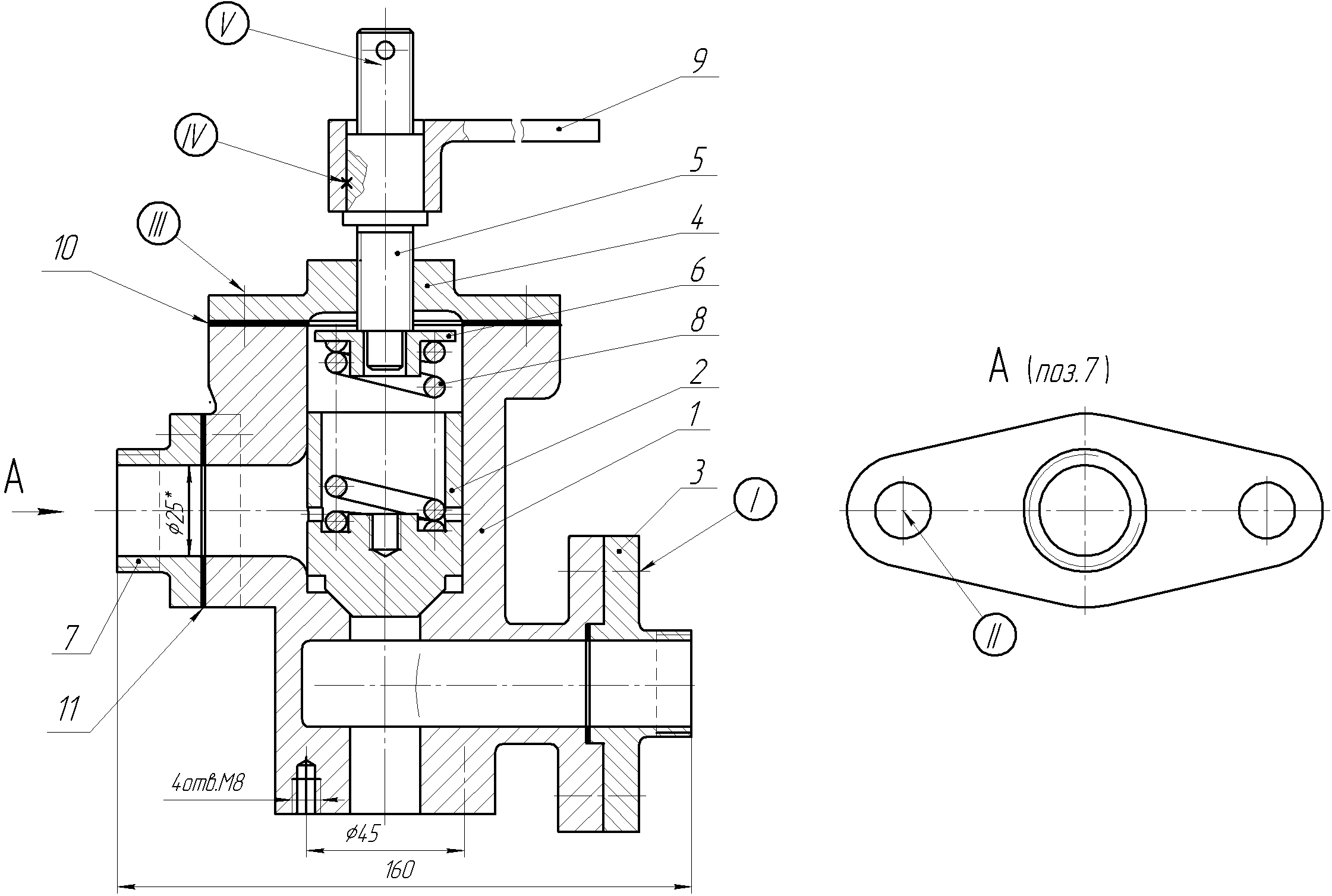
Вариант 12 - Перепускной клапан
![]() |
||||
| № | Обозначение | Наименование | Кол. | Материал |
|---|---|---|---|---|
| 1 | КИКГ.020612.001 | Корпус | 1 | Чугун СЧ 12-28 |
| 2 | КИКГ.020612.002 | Клапан | 1 | |
| 3 | КИКГ.020612.003 | Фланец | 1 | |
| 4 | КИКГ.020612.004 | Крышка | 1 | |
| 5 | КИКГ.020612.005 | Винт | 1 | |
| 6 | КИКГ.020612.006 | Седло | 1 | |
| 7 | КИКГ.020612.007 | Фланец | 1 | |
| 8 | КИКГ.020612.008 | Пружина | 1 | |
| 9 | КИКГ.020612.009 | Рукоятка | 1 | |
| 10 | КИКГ.020612.010 | Прокладка | 1 | |
| 11 | КИКГ.020612.011 | Прокладка | 1 |
Рабочая среда поступает в правое отверстие корпуса 1 и дальше через нижнее отверстие
поступает к обслуживающему объекту.
Давление, при котором срабатывает клапан, регулируется натяжением пружины 8 посредством
рукоятки 9, посаженной на ходовой винт 5 и призматическую шпонку. Пружина, сжатая винтом,
прижимает клапан 2 к корпусу.
Если в магистрали давление повышается сверх допустимого, то клапан 2 под избыточным
давлением поднимается и пропускает через левое отверстие корпуса рабочую среду в запасную
емкость.
Когда давление упадет до величины, равной силе сжатия пружины, последняя закроет клапаном
отверстие, и выпуск рабочей среды в левое отверстие прекратится.
Рукоятка 9 закреплена на винте 5 гайкой, которая стопорится шайбой и шплинтом. Крышка 4
посредством прокладки10 и шпилек плотно крепится к корпусу 1. Фланец 7 к корпусу присоединяется
винтами, фланец 3 – болтами.
| СОЕДИНЕНИЯ, КОТОРЫЕ СЛЕДУЕТ ДОКОНСТРУИРОВАТЬ И ИЗОБРАЗИТЬ НА ЧЕРТЕЖАХ: | ||||||
| Соединения | Данные о стандартных деталях, входящих в состав соединения | |||||
|---|---|---|---|---|---|---|
| № | Соединяемые детали | Наименование | Материал | Покрытие | Толщина покрытия | |
| I | Фланец поз. 3 с корпусом поз. 1 | Болты по ГОСТ 7805-70, Резьба М10х1,25, 4 шт. | Сталь 30 | Цинковое хромат. | - | |
| Шайба по ГОСТ 11371-78,исполнение 2. | Сталь 10 | Цинковое | - | |||
| Гайки по ГОСТ 5927-70, исполнение 1. | Сталь 20 | Цинковое с хром. | - | |||
| II | Фланец поз. 7 с корпусом поз. 1 | Винты по ГОСТ 1491-80 (СТ СЭВ 2653-80), 2 шт, резьба М10х1,25, степень точности А | Сталь 40Х | Фосфатное с пропиткой маслом | - | III | Крышки поз. 4 с корпусом поз. 1 | Шпильки, резьба М8. 4 шт. | Сталь 40Х | Никель | 6 мкм |
| Шайбы по ГОСТ 6402-70, нормальной толщины | Сталь 65Г | Фосфат с пропиткой маслом | - | |||
| Гайки по ГОСТ 5915-70, исполнение 2. | Сталь 35X | Никель | 6 мкм | IV | Рукоятка поз. 9 с винтом поз. 5 | Шпонка 6х6х20 по ГОСТ 22360-78 | V | Рукоятка поз. 9 с винтом поз. 5 | Гайка по ГОСТ 5915-70, резьба М16х1,5. | Сталь 35Х | Цинковое | - |
| Шайба по ГОСТ 11371-78 | Ст.3 | Цинковое | - | |||
| Шплинт по ГОСТ 397-79 (СТ СЭВ 220-75) | Cт.1 | Цинковое | - | |||
| Все составные части насоса должны быть записаны в спецификации, а их номера позиций нанесены на сборочном чертеже в строгом соответсвии с правилами ЕСКД (на карточке-задании это выдержано нестрого). | ||||||