К списку заданий по инженерной графике
В начало
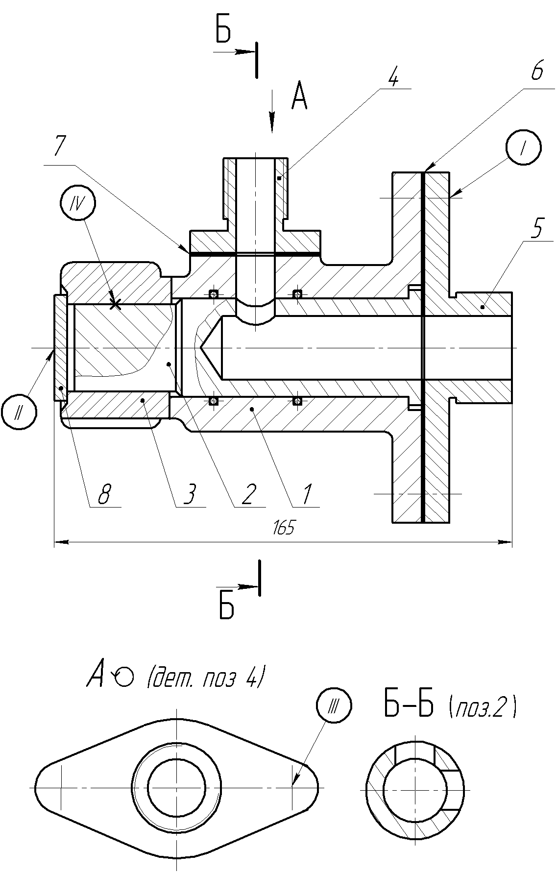
Вариант 8 - Распределительный кран
![]() |
||||
| № | Обозначение | Наименование | Кол. | Материал |
|---|---|---|---|---|
| 1 | КИКГ.020608.001 | Корпус | 1 | Латунь |
| 2 | КИКГ.020608.002 | Пробка | 1 | |
| 3 | КИКГ.020608.003 | Рукоятка | 1 | |
| 4 | КИКГ.020608.004 | Фланец | 2 | |
| 5 | КИКГ.020608.005 | Фланец | 1 | |
| 6 | КИКГ.020608.006 | Прокладка | 1 | |
| 7 | КИКГ.020608.007 | Прокладка | 2 | |
| 8 | КИКГ.020608.008 | Шайба | 1 |
Кран состоит из корпуса 1, в котором установлена цилиндрическая пробка 2, в которой
выполнены два отверстия, соединяющиеся с полостью осевого отверстия пробки.
На левом цилиндрическом конце пробки установлена рукоятка при помощи винта и шайбы 8.
Для осуществления поворота пробки в нужное положение установлена шпонка, передающая
вращательное движение от рукоятки 3. Фланец 5 установлен на корпусе при помощи болтов.
На чертеже кран изображен в открытом положении.
При положении рукоятки 3, указанном на чертеже, жидкость через фланец 5 попадает в
осевое цилиндрическое отверстие пробки, а затем по двум радиальным отверстиям в пробке
переходит в трубопроводы. При повороте рукоятки на 90° вправо верхнее отверстие пробки 2
совпадает с горизонтальным отверстием корпуса и жидкость пойдет только по горизонтальному
каналу, а вертикальный канал перекрывается. При дальнейшем повороте рукоятки на 90°
оба канала перекрываются.
При повороте рукоятки из первоначального положения, указанного на чертеже, влево на 90°
горизонтальное отверстие пробки 2 совпадает с вертикальным каналом каналом, и жидкость
идет только по этому трубопроводу.
Уплотнение пробки 2 осуществлено резиновыми кольцами. Герметизация корпуса 1 и фланца 4
осуществлена прокладкой 7, а фланца 5 и корпуса 1 – прокладкой 6.
| СОЕДИНЕНИЯ, КОТОРЫЕ СЛЕДУЕТ ДОКОНСТРУИРОВАТЬ И ИЗОБРАЗИТЬ НА ЧЕРТЕЖЕ: | ||||||
|---|---|---|---|---|---|---|
| Соединения | Данные о стандартных деталях, входящих в состав соединения | |||||
| № | Соединяемые детали | Наименование | Материал | Покрытие | Толщина покрытия | |
| I | Фланец поз. 5 с корпусом поз. 1 | Болты по ГОСТ 7798-70, резьба М12, 4 шт. | Латунь | Никель | 6 мкм | |
| Гайки по ГОСТ 5915-70, исполнение 1 | То же | То же | То же | |||
| Шайбы по ГОСТ 11371-78, исполнение 2 | То же | То же | То же | |||
| II | Рукоятка поз. 3 с пробкой поз. 2 | Винт по ГОСТ 1491-80, резьба М6 | Сталь 38ХА | Фосфатное | - | |
| III | Фланец поз. 4 с корпусом поз. 1 | Шпильки, резьба М10х1,25, 2 шт. | Сталь 35ХА | То же | - | |
| Шайбы по ГОСТ 6402-70, нормальной толщины. | Сталь 65Г | То же | - | |||
| Гайки по ГОСТ 5915-70, исполнение 2. | Сталь 35ХА | То же | - | |||
| IV | Пробка поз. 2 с рукояткой поз. 3 | Шпонка 8х7х30 по ГОСТ 23360-78 | ||||
|
В изделие входит стандартное «Кольцо HI-0x38-2 ГОСТ 9833-61», количество – 2 шт.
Все позиции должны быть указаны строго по ЕСКД. На карточке задания это не всегда выдержано. | ||||||