СПбГУИТМО
Кафедра инженерной и компьютерной графики

К списку заданий по инженерной графике
В начало

Резьбовые соединения
К списку вариантов по заданию "Резьбовые соединения"

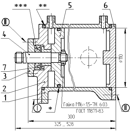
Вариант 3 - Гидроцилиндр
Гидроцилиндр предназначен для сообщения движения рабочему органу, соединенному со штоком гидроцилиндра.

ПЕРЕЧЕНЬ ОРИГИНАЛЬНЫХ ДЕТАЛЕЙ ИЗДЕЛИЯ
Обозначение Наименование Кол. Материал
1 КИКГ.020603.001 Цилиндр 1 Чугун
2 КИКГ.020603.002 Крышка 1 Чугун
3 КИКГ.020603.003 Крышка 1
4 КИКГ.020603.004 Шток 1
5 КИКГ.020603.005 Поршень 1
6 КИКГ.020603.006 Крышка 1
7 КИКГ.020603.007 Втулка 1

Гидроцилиндр состоит из цилиндра 1, к которому с одной стороны крепится болтами крышка 2. С другой стороны на корпусе установлена крышка 6 при помощи шпилек. В цилиндре установлен поршень 5, в проточке которого расположено резиновое кольцо. Поршень крепится на штоке 4 при помощи гайки. На крышку 2 винтами крепится крышка 3, которая поджимает манжету, расположенную в расточке крышки 2. в торцевых протоках цилиндра 1 расположены кольца. Поступательное движение поршня 5 вправо относительно корпуса цилиндра 1 происходит при подаче из системы жидкости под давлением с левой стороны цилиндра. жидкость подается в полость между поршнем 5 и крышкой 2 и перемещается вправо. Для сообщения движения штоку 4 влево жидкость под давлением подается по системе к правому штуцеру цилиндра и, заполняя полость между поршнем 5 и крышкой 6, перемещает поршень влево.
Уплотнение крышек 2 и 6 с цилиндром осуществляется резиновыми кольцами. Для предотвращения просачивания жидкости из одной полости цилиндра в другую на поршне 5 установлено резиновое кольцо. Уплотнение штока 4 достигается манжетой , поджимаемой крышкой 3.

СОЕДИНЕНИЯ, КОТОРЫЕ СЛЕДУЕТ ДОКОНСТРУИРОВАТЬ И ИЗОБРАЗИТЬ НА ЧЕРТЕЖЕ:
Соединения Данные о стандартных деталях, входящих в состав соединения
Соединяемые детали Наименование Материал Покрытие Толщина
покрытия
I Крышка поз. 2 с цилиндром поз. 1 Болты по ГОСТ 7805-70 резьба М10х1, 25, 4 шт. Сталь 30 Цинковое с хроматированием 6 мкм
Шайбы по ГОСТ 11371-78, исполнение 1. Сталь 08 То же То же
Гайки по ГОСТ 5927-70 исполнения 1. Сталь 20 То же То же
II Крышка поз. 3 с крышкой поз. 2 Винты по ГОСТ 1491-80 (СТ СЭВ 2653-80) 4 шт., резьба М8, степень точности А. Сталь 10 Окисное -
III Цилиндр поз. 1 с крышкой поз. 6 Шпильки, резьба М12, 4 шт. Сталь 20 Цинковое -
Шайбы по ГОСТ 6402-70, нормальной толщины. Сталь 65Г То же -
Гайки по ГОСТ 5927-70, исполение 2. Сталь 10 То же -
В состав гидроцилиндра входят также стандартные изделия: «Кольцо 1-110х100-1 ГОСТ 9833-61», 1 шт; «Кольцо 1-120х110-1 ГОСТ 9833-61», 2 шт; «Манжета 22х42 ГОСТ 6969-54», 1 шт. Место их установки на карточке задания указано соответственно знаками «*», «**», «***». Соответствующие изделия должны быть внесены в спецификацию и указаны на чертеже через номера позиций.

Внимание! На карточке задания позиции указаны не в полном соответствии с ЕСКД.
В начало страницы
К списку заданий по инженерной графике
В начало